新聞中心
江蘇巨賢合成材料有限公司盛裝參加:2019深圳國際鋰電技術展覽會
2019-09-25 13:30:03
江蘇巨賢合成材料有限公司 盛裝參加,展位號7B100,歡迎蒞臨參觀。
產品展示



公司介紹
江蘇巨賢合成材料有限公司坐落于江蘇鎮江新區,公司主要致力于新能源汽車用鋰電池隔膜的開發和生產。公司研發的高性能聚酰亞胺鋰電池隔膜目前已經完成中試,正進入大規模量產階段。
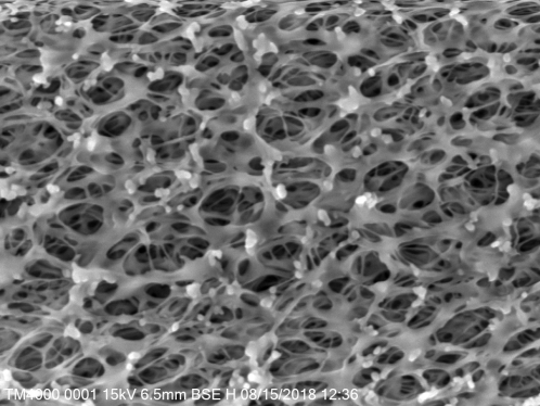
HPI鋰電池隔膜的耐高溫性能明顯優于PP、PE傳統隔膜,是一種高安全性隔膜。HPI鋰電池隔膜在200℃下一小時的熱收縮率小于0.5%,在高溫下有著優秀的機械強度保持率,同時擁有獨特的孔結構、高的孔隙率和良好的電解液浸潤性能,可使得鋰離子電池具有更高的安全性能、更好的倍率放電性能和更長的循環壽命。
聯系我們
展商中心
電話:
+86-21-61170511
郵箱: heli@heliexpo.cn



